| App Temperature Bound List |
| Material | Medium temperature℃ | Material | Medium temperature℃ | |||||||||||||||||||||||||||||||||||||||||||||||||||
| PVC-C | -20℃~+95℃ | PVC-U | -5℃~+45℃ | |||||||||||||||||||||||||||||||||||||||||||||||||||
| FRPP | -20℃~+120℃ | PPH | -20℃~+110℃ | |||||||||||||||||||||||||||||||||||||||||||||||||||
| PVDF | 40℃~+150℃ | |||||||||||||||||||||||||||||||||||||||||||||||||||||
| Product Structural Features |
1. Superior Chemical Resistance: Wide operating temperature range -20°C to 95°C, heavy ion content in the medium meets ultrapure water standards, and hygienic properties meet national health standards.
2. Excellent strength, toughness, and chemical corrosion resistance.
3. Durability: Excellent aging and UV resistance significantly extend the service life of other piping systems.
4. Low thermal conductivity: Approximately 1/200 that of steel; self-extinguishing flame retardancy.
5. Lightweight: Lightweight, equivalent to 1/5 of steel pipe and 1/6 of copper pipe.
6. Low resistance, high flow rate: Smooth, clean pipe surface, minimizes friction and adhesion when conveying fluids.
7. Easy installation, low cost: Adhesive and threaded connections are available, with glue being the most convenient.
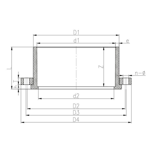
| Dimension List |

| DN | D1 | D2 | D3 | D4 | d1 | d2 | L | T | h | Z | n-Φ | ||||||||||||||||||||||
| 15 | 27 | 59 | 70 | 95 | 20 | 18 | 22 | 16 | 1.5 | 16 | 4-Φ15X20.5 | ||||||||||||||||||||||
| 20 | 32 | 70 | 75 | 105 | 25 | 23 | 25 | 18 | 1.5 | 19 | 4-Φ15X17.5 | ||||||||||||||||||||||
| 25 | 40 | 79 | 90 | 125 | 32 | 29 | 28 | 18 | 1.5 | 22 | 4-Φ15X20.5 | ||||||||||||||||||||||
| 32 | 50 | 89 | 100 | 140 | 40 | 36 | 31.5 | 20 | 1.5 | 26 | 4-Φ18X24.5 | ||||||||||||||||||||||
| 4 | 61 | 98 | 110 | 150 | 50 | 4 | 37 | 20 | 2 | 31 | 4-Φ18X24 | ||||||||||||||||||||||
| 50 | 75 | 120 | 125 | 165 | 63 | 58 | 44 | 25 | 2 | 38 | 4-Φ18X20.5 | ||||||||||||||||||||||
| 65 | 88 | 140 | 145 | 185 | 75 | 69 | 50 | 25 | 2 | 44 | 4-Φ18X20.5 | ||||||||||||||||||||||
| 80 | 105 | 150 | 160 | 200 | 90 | 84 | 57 | 26 | 2.5 | 51 | 8-Φ18X23 | ||||||||||||||||||||||
| 100 | 127 | 175 | 190 | 522 | 9110 | 105 | 67 | 26 | 2.5 | 61 | 8-Φ18X26 | ||||||||||||||||||||||
| 125 | 161 | 210 | 250 | 140 | 130 | 84 | 28 | 12.5 | 77 | 8-Φ19 | |||||||||||||||||||||||
| 150 | 182 | 240 | 285 | 160 | 150 | 93 | 31 | 12.5 | 85 | 8-Φ23 | |||||||||||||||||||||||
| 200 | 249 | 295 | 339 | 225 | 215 | 127 | 36 | 16 | 119 | 8-Φ23X25 | |||||||||||||||||||||||
| 200 | 254 | 295.8 | 341 | 225 | 215 | 127 | 33.1 | 16 | 119 | 12-Φ22 | |||||||||||||||||||||||
| 250 | 308 | 350 | 395 | 280 | 267 | 154 | 40.5 | 16.5 | 144 | 12-Φ23 | |||||||||||||||||||||||
| 300 | 346 | 400 | 445 | 315 | 305 | 170 | 43 | 18 | 160 | 12-Φ23 | |||||||||||||||||||||||
| 350 | 395 | 460 | 505 | 355 | 340 | 176 | 43 | 16 | 164.5 | 16-Φ23 | |||||||||||||||||||||||
| 400 | 442 | 515 | 570 | 400 | 382 | 219 | 43 | 22 | 200 | 16-Φ27 | |||||||||||||||||||||||
| 450 | 494 | 565 | 625 | 450 | 430 | 220 | 40 | 27 | 210 | 20-Φ26 | |||||||||||||||||||||||
| 500 | 548 | 620 | 670 | 500 | 475 | 210 | 43 | 25 | 185 | 20-Φ27 | |||||||||||||||||||||||
When comparing UPVC and CPVC fittings for heat resistance, the answer is straightforward: CPVC fittings significantly outperform UPVC fittings in high-temperat...
READ MOREWhen choosing between threaded pipe fittings and compression pipe fittings, the direct answer is this: compression fittings are easier and faster to install an...
READ MOREThe thermal expansion coefficient of a PVC valve is significantly higher than that of metal valves and moderately higher than CPVC valves, which directly impac...
READ MORECreep behavior in PPH pipe fittings directly reduces long-term pressure containment capacity when systems operate at elevated temperatures. Under sustained mec...
READ MORE