PVC-U Universal Socket Flange DN15-600 1/2"-24" ANSI Standard

Newly Commonly Used Dark Gray PVC-U Universal Socket Flanged Pipe Fitting, DN15-DN600, for Chemical and Sanitary Applications, ANSI SCH80 Standard
Origin: China
Brand Name: KXPV
Material: Plastic
Process: Forged
Connection: Socket
Shape: Equal
Head Code: Square
Color: Dark Gray
Size: DN15-DN600
Application: Industry
Packaging: Carton
Working Pressure: 1 MPa
Delivery Time: 7 Days
Minimum Order Quantity: 1 Piece

App Temperature Bound List
Material        Medium temperature℃ Material Medium temperature℃
PVC-C -20℃~+95℃ PVC-U -5℃~+45℃
FRPP -20℃~+120℃ PPH -20℃~+110℃
PVDF 40℃~+150℃

Product Structural Features

1.Lightweight: PVC-U material has only 1/10 the weight of cast iron, making transportation and installation easy, thus reducing costs.
2.Excellent Chemical Resistance: PVC-U offers excellent resistance to acids and alkalis, except for near-saturated strong acids and bases.
3.Durable: PVC-U has outstanding weather resistance and is not susceptible to corrosion by bacteria or fungi.
4.Non-conductive: PVC-U material does not conduct electricity, nor is it subject to corrosion from electrical currents, thus eliminating the need for secondary processing. It is non-flammable and will not support combustion, so there are no fire hazards.
5.Low Resistance, High Flow Rate: The smooth inner walls minimize fluid flow loss, and dirt is not easily attached to the smooth pipe surface, making maintenance easier and reducing maintenance costs.
6.Easy Installation, Low Cost: Cutting and connecting PVC-U pipes is simple. PVC glue connections are proven to be safe, reliable, easy to operate, and cost-effective.

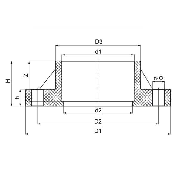
UPVC Flange

Specification D1
(mm)
D2
(mm)
D3
(mm)
d1
(mm)
d2
(mm)
H
(mm)
h
(mm)
Z
(mm)
n-Ф
(mm)
1/2"(15) 89 60 31.5 21.34 18 27 16 22.5 4-Ф16
3/4"(20) 95 70 37 26.67 23 30.5 18 25.5 4-Ф16
1"(25) 108 79 45 33.4 29 34.5 18 29 4-Ф16
1¼"(32) 117 89 54.5 42.16 38 37.5 18 32 4-Ф16
1½"(40) 127 98 61 48.26 44 40.5 20 35 4-Ф16
2"(50) 152 121 74 60.32 55 44.5 20 38.5 4-Ф19
2½"(65) 178 140 90 73.02 68 51 20 45 4-Ф19
3"(80) 191 152 107 88.9 83 54.5 21 48 4-Ф19
4"(100) 229 191 134 114.3 109 64 24 57.5 4-Ф19
5"(125) 254 216 163 141.3 134 73.5 25 67 8-Ф22
6"(150) 279 241 192 168.28 160 83.5 25 76.5 8-Ф22
8"(200) 343 299 247 219.08 210 109 29 102 8-Φ22

Message Feedback
About Us
Kaixin Pipeline Technologies Co., Ltd.

Founded in 1999, Kaixin Pipeline Technologies Co., Ltd. is a high-tech enterprise integrating R&D, manufacturing, sales, and service. The company holds multiple prestigious certifications, including National High-Tech Enterprise, “Little Giant” Specialized and Sophisticated SME, National Single Product Champion (Cultivation), Provincial Technology-based SME, Ningbo Specialized and Sophisticated SME, Ningbo Single Product Champion (Cultivation), Ningbo Polymer Pipe & Valve Technology R&D Center, District-Level Green Factory, Ningbo Four-Star Management Innovation Enterprise, and Enterprise Data Management Capability Maturity Level 2.

We specialize in developing, producing, and supplying non-metallic corrosion-resistant products for chemical applications, including plastic valves, pipes, pipe fittings, and corrosion-resistant pumps. Our product portfolio spans materials such as PVC-C, PVC-U, PVDF, PPH, and FRPP, with a comprehensive range of types and specifications. Notably, our butterfly valves can reach DN1000 in diameter, while pipes and fittings extend up to DN800, addressing market gaps and maintaining our competitive edge in the industry.

Guided by the principle of “Technology-Driven, Keeping Pace with the Times,” Kaixin allocates nearly RMB 10 million annually to R&D. We ensure superior product quality through standardized automated manufacturing and strict sourcing of imported raw materials. Aligned with our international development strategy, we continuously monitor global market trends and leverage digital channels to bring high-quality “Made in China” products to customers worldwide.

Ningbo • Fenghua R&D & Production Base

With a total investment of RMB 200 million, Kaixin Ultra-Pure Pipe Technology (Ningbo) Co., Ltd. has established a new materials laboratory in collaboration with universities and research institutes, built a modern manufacturing base, and installed 8 fully automated production lines for modified plastics and 8 for polymer materials. The facility is dedicated to the R&D, production, and application of new modified plastics and polymer materials. Kaixin is also committed to attracting top talent across disciplines, continuously driving product innovation and brand development, with the goal of becoming a globally recognized leader in the R&D and manufacture of polymer valves, pipes, and fittings.
Certificate Of Honor
  • 一种化工用超大型蝶阀
  • 一种抗腐蚀耐热改性塑料及其制备工艺
  • 一种耐紫外老化纳米改性塑料及其制备工艺
  • 一种移动式塑料管道切割装置
  • 一种方便收纳隐藏的饮用水管道阀门
  • 化工用超大型蝶阀
  • 一种蝶阀阀瓣结构
  • 一种蝶阀阀体结构及控制阀
  • 一种法兰球阀结构
  • 一种隔膜阀
  • 一种隔膜阀执行机构
  • 一种管道连接用法兰